GWS
 
Home   Products   >   Gearboxes   >   Worm & Wheel gearboxes   >   GWS  
GWS-O-30-B

GWS-O-30-B

Product Code: GWS-O-30-B
Technical Data Download Dimensions
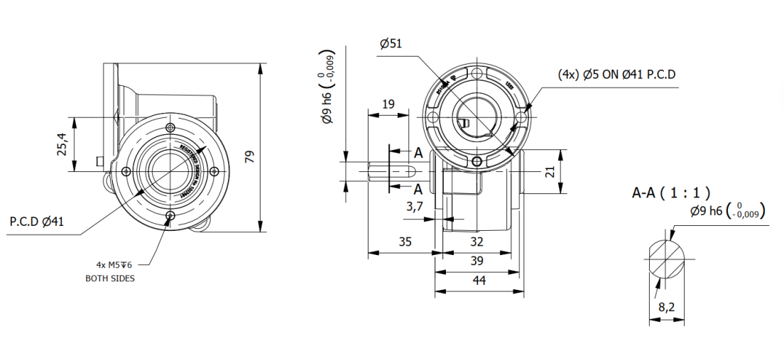
Gears materialBronze Size51 mm
Length (L)44 mmStages1
Reduction Ratio30 Nominal Output Torque4.5 Nm
Max. Output Torque7.2 NmEfficiency57 %
Backlash10-25 arc.minMax. Axial load150 N
Max. Radial Load (12mm from flange)250 Weight0.4 Kg
Need help?
Talk to our experts



Contact us
Switzerland - Global HQ


Via Prè d’là, 1
CH-6814 Lamone, Switzerland
Phone: +41 (0)91 612 85 00
Fax: +41 (0)91 612 85 19
E-mail: info@delta-line.com
USA


Delta Line North America, Inc
4600 South Syracuse, 9th Floor
Denver, CO 80237, USA
Phone: +1 303 256 6212
E-mail: infous@delta-line.com
China


Changzhou Delta Line Trade
Company Limited,
414 Building 1,
FuChen HuaYuan
New North District Changzhou,
Jiangsu, China
Follow

© 2020 All rights reserved| Privacy & cookie Policy | Legal Notes
Powered by Ico Computer| Sitemap