Over/Under voltage, Over current, Overheating, Short circuit
Safety feature
Safe Torque Off (STO) SIL3/PLe
Debug & configuration
Serial interface
Digital Inputs
4 not isolated 5-24 Vdc PNP
Analog Inputs
2 not isolated | 0-10 Vdc
Digital Outputs
2 not isolated 24 Vdc PNP
Technical Files
Datasheet
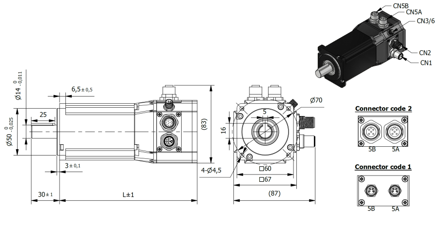
Short manual - A-Code connector
Short manual - D-Code connector
3D STP file A-Code connector
3D STP file - D-Code connector
Custom combinations are available on request. Contact us
Gearboxes
GP56 -S
Planetary gearboxes - GP series
Size (mm)
56
Length (L) (mm)
50,6 - 67,8
Reduction Ratio
3,293 - 62,326
Nominal Output Torque (Nm)
7,73 - 26,48
Max. Input Speed (rpm)
4658 - 13000
GP56 -N - Low noise
Planetary gearboxes - GP series
Size (mm)
56
Length (L) (mm)
56 - 73
Reduction Ratio
3,24 - 35,05
Nominal Output Torque (Nm)
1,53 - 15,84
Max. Input Speed (rpm)
5450 - 9758
GP56 -T - Torque
Planetary gearboxes - GP series
Size (mm)
56
Length (L) (mm)
54,8 - 86
Reduction Ratio
3,293 - 256,23
Nominal Output Torque (Nm)
7,73 - 35
Max. Input Speed (rpm)
4658 - 13000
56JMS
Planetary gearboxes - JMS series
Size (mm)
56
Length (L) (mm)
37,8 - 60,8
Reduction Ratio
3,6 - 76,77
Nominal Output Torque (Nm)
9 -30
DL Space
DL Space is the innovative visual programming environment for our drivers. This software does not require the learning of a text language but, through a graphic programming and guided windows, it allows the creation of multitasking programs exploiting all the functionalities of the DL drives with S200 firmware.
The programs realized with DL Space allow to exploit all the low-level control modes of our programmable drives for both brushless and stepper motors, including multiple homing modes, the electric shaft, the electronic range and many other functions.
Application debugging can be carried out quickly and easily thanks to the dedicated windows that include a virtual oscilloscope to monitor the actual motor movements.
Software
Manual
Start Up Guide
Service SCI Interface cable is required to use our Software and available on request.
Connector kit is not included but available on request.